Nội dung bài viết
ToggleGiới thiệu về SICK FLOWSIC100 Flare:
SICK FLOWSIC100 Flare là thiết bị đo lưu lượng khí siêu âm chuyên dụng, được thiết kế đặc biệt để giám sát và đo lường lưu lượng khí trong các ứng dụng hệ thống đốt flare (flare stack) trong ngành công nghiệp dầu khí và hóa chất. Thiết bị này không chỉ giúp đo lường chính xác mà còn hỗ trợ tuân thủ các quy định về môi trường và tối ưu hóa quy trình vận hành.
Ứng Dụng Chính của SICK FLOWSIC100 Flare:
Giám sát khí thải: Đo lượng khí thải từ các hệ thống đốt flare trong ngành dầu khí, hóa chất, đảm bảo tuân thủ các tiêu chuẩn môi trường.
Kiểm soát lưu lượng khí: Giúp tối ưu hóa quy trình sản xuất và quản lý khí trong các nhà máy công nghiệp.
Bảo trì và kiểm tra hệ thống: Theo dõi hiệu suất của các hệ thống ống dẫn khí, giúp phát hiện sớm các vấn đề trong vận hành.
Ưu Điểm của SICK FLOWSIC100 Flare:
Đo lường chính xác và ổn định: Công nghệ siêu âm giúp đảm bảo độ chính xác trong mọi điều kiện.
Thiết kế bền bỉ: Khả năng chịu áp lực cao và cấp bảo vệ IP68 giúp thiết bị hoạt động hiệu quả trong môi trường khắc nghiệt.
Khả năng tích hợp linh hoạt: Giao diện đầu ra đa dạng giúp dễ dàng kết nối với các hệ thống điều khiển và giám sát.
Mua các sản phẩm của SICK AG ở đâu?:
Thành Nguyễn hiện là đơn vị nhập khẩu và nhà phân phối chính hãng SICK AG.
Hàng hóa được bảo hành chính hãng 12 tháng, tư vấn kỹ thuật miễn phí, đầy đủ giấy chứng nhận xuất xứ, chất lượng từ Phòng thương mại và từ Hãng sản xuất
Nếu Quý khách có nhu cầu tư vấn và báo giá cho dự án mới, mua thay thế cho nhà máy, hãy liên hệ ngay chúng tôi qua số Hotline 0905352837 (ZALO) – Mr Quý để được hỗ trợ tư vấn sớm nhất.
Trân trọng cảm ơn Quý khách đã ghé thăm Website của chúng tôi !
Thông số kỹ thuật của SICK FLOWSIC100 Flare:
Phạm Vi Đo Lưu Lượng:
Tốc độ đo: từ 0.1 m/s đến 50 m/s, phù hợp với nhiều loại khí và điều kiện vận hành.
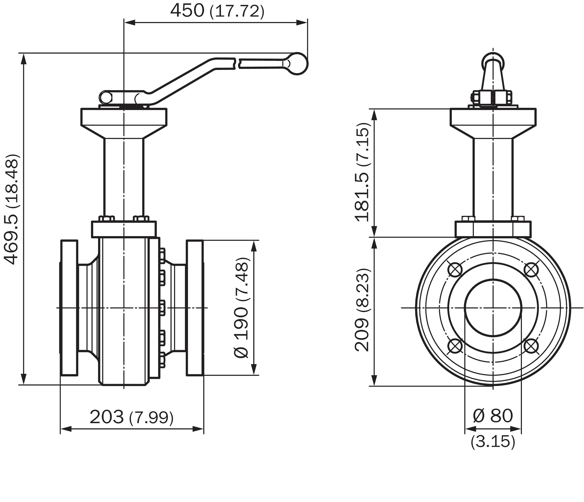
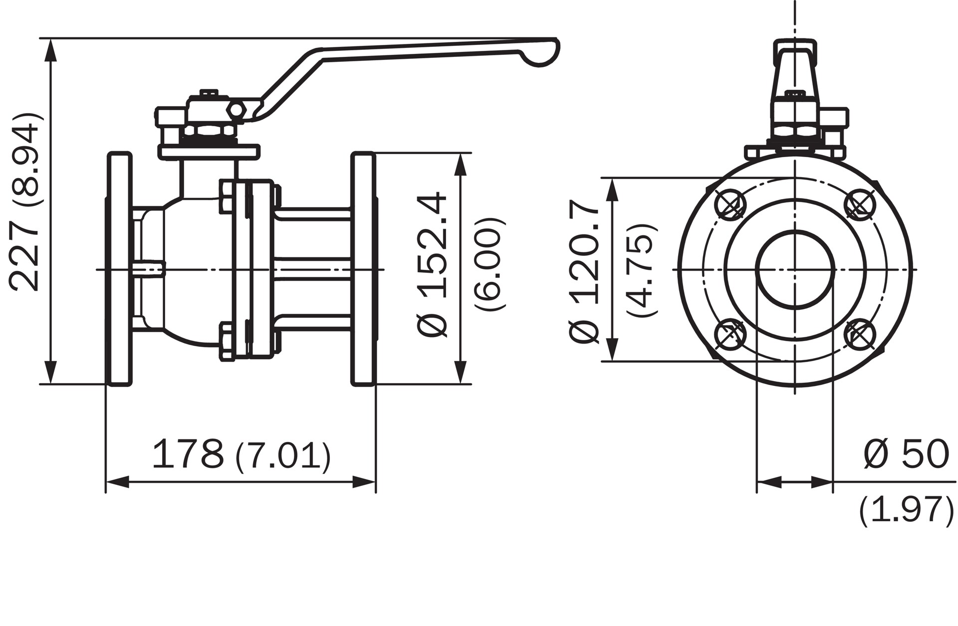
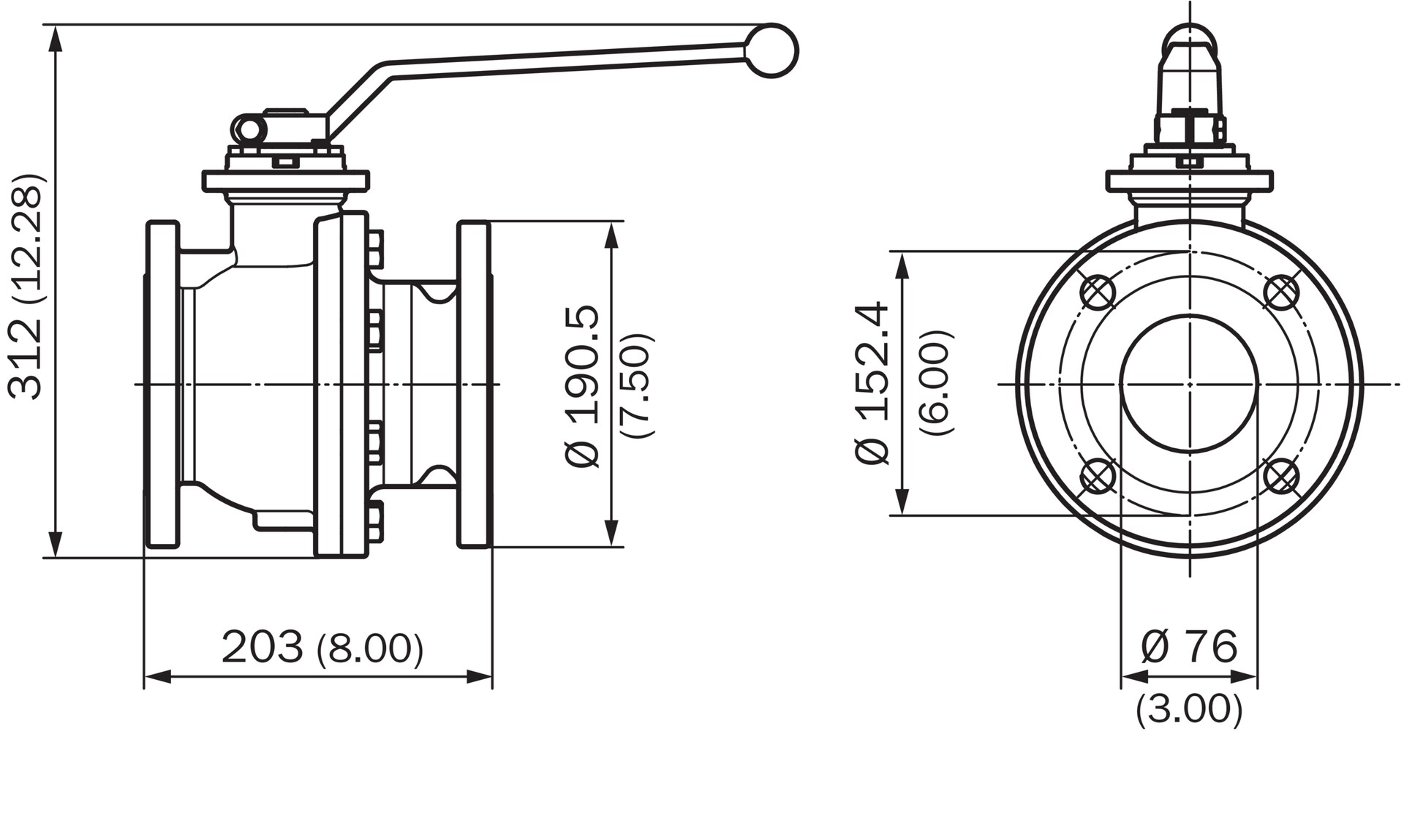
Kích Thước Đường Ống:
Đường kính ống: từ DN50 đến DN300 (tương đương với 2 inch đến 12 inch), cho phép linh hoạt trong thiết kế hệ thống.
Độ Chính Xác và Độ Lặp Lại:
Độ chính xác: ± 1% của giá trị đo, đảm bảo độ tin cậy trong các ứng dụng.
Độ lặp lại: ± 0.5%, duy trì tính ổn định của phép đo theo thời gian.
Dải Áp Suất và Nhiệt Độ Hoạt Động:
Áp suất tối đa: lên đến 200 bar, cho phép hoạt động hiệu quả trong các điều kiện áp suất cao.
Nhiệt độ hoạt động: từ -40°C đến +80°C, giúp thiết bị hoạt động tốt trong môi trường khắc nghiệt.
Công Nghệ Đo Siêu Âm:
Sử dụng công nghệ siêu âm với nguyên lý thời gian truyền (time-of-flight), cho phép đo lưu lượng mà không làm cản trở dòng chảy.
Thiết kế không tiếp xúc với dòng chảy giúp bảo vệ thiết bị khỏi các tác động tiêu cực từ dòng khí.
Giao Diện Đầu Ra:
Đầu ra analog 4-20 mA cho phép kết nối dễ dàng với các hệ thống điều khiển và giám sát.
Tích hợp giao diện kỹ thuật số như RS485, MODBUS và HART, cho phép truyền dữ liệu linh hoạt và tích hợp với hệ thống tự động hóa.
Cấp Bảo Vệ:
Cấp bảo vệ IP68, đảm bảo an toàn trong môi trường ẩm ướt và bụi bẩn.
Chứng nhận ATEX và IECEx, cho phép sử dụng trong các khu vực dễ cháy nổ.
Nguồn Điện:
Hoạt động với nguồn điện 24 V DC, tiêu thụ điện năng thấp và hiệu suất ổn định.
Tính Năng Tự Chẩn Đoán:
FLOWSIC100 Flare được trang bị tính năng tự chẩn đoán, giúp theo dõi tình trạng hoạt động của thiết bị và phát hiện sớm các vấn đề.
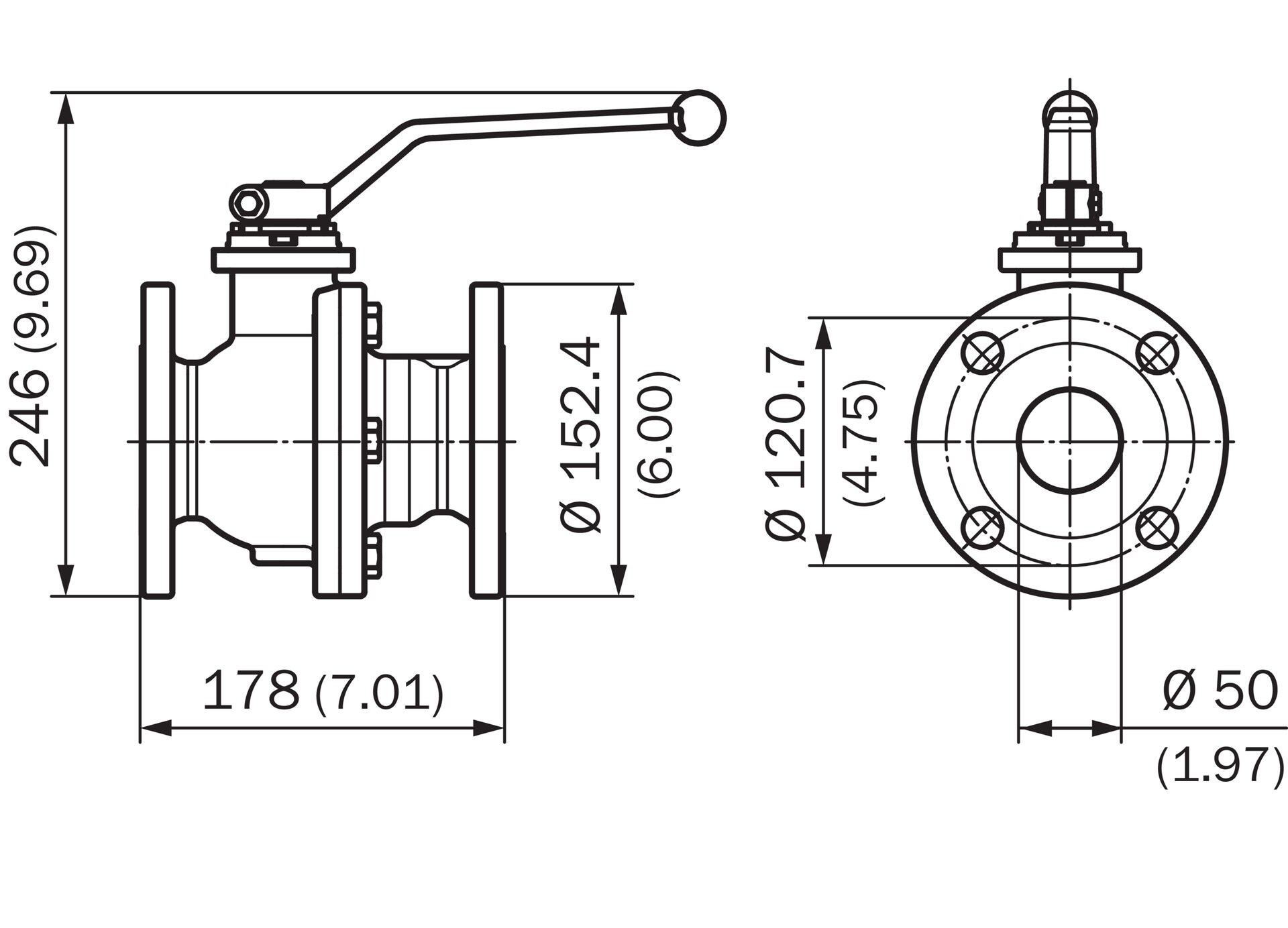
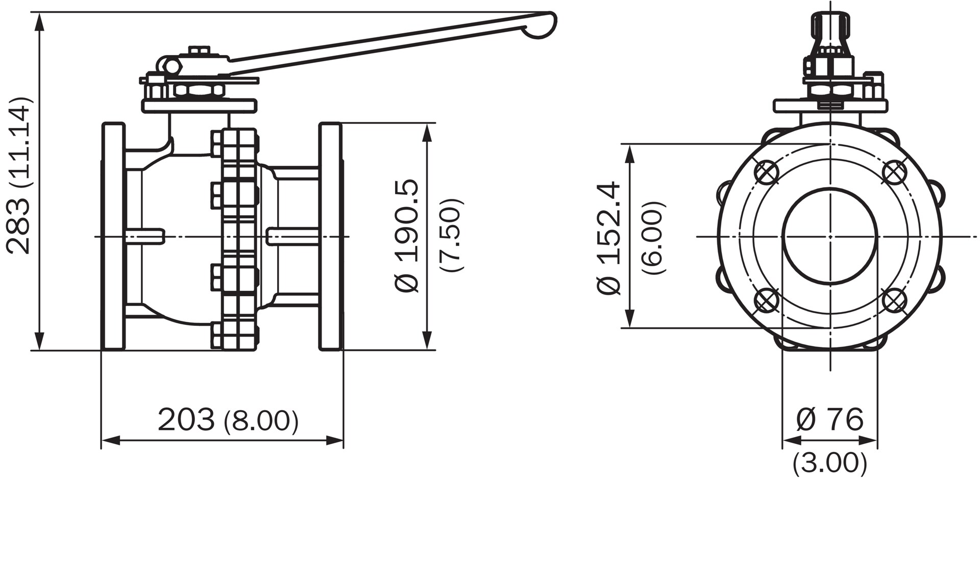
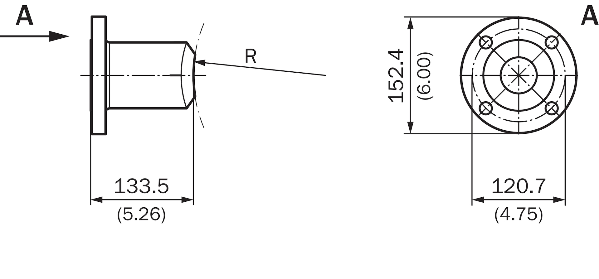
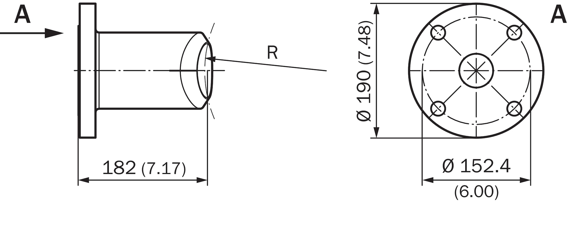
Một số hình ảnh và model của SICK FLOWSIC100 Flare:
FLOWSIC500 nominal size DN100, FLOWSIC500 nominal size DN150, FLOWSIC500 nominal size DN50, FLOWSIC500 nominal size DN80, pressure sensor, temperature sensor,



















Đánh giá
Chưa có đánh giá nào.