Nội dung bài viết
ToggleGiới thiệu về SICK FLOWSIC100 Process:
SICK FLOWSIC100 Process là thiết bị đo lưu lượng khí siêu âm tiên tiến, được thiết kế đặc biệt cho các ứng dụng trong ngành công nghiệp, cung cấp các phép đo lưu lượng khí chính xác và tin cậy cho nhiều quy trình sản xuất khác nhau. Thiết bị này phù hợp với nhiều loại khí khác nhau và giúp tối ưu hóa hoạt động của các hệ thống công nghiệp.
Ưu Điểm của SICK FLOWSIC100 Process:
Đo lường chính xác và ổn định: Công nghệ siêu âm đảm bảo độ chính xác và độ tin cậy trong mọi điều kiện đo.
Thiết kế bền bỉ: Với khả năng chịu áp lực lớn và cấp bảo vệ cao, FLOWSIC100 có thể hoạt động trong các điều kiện môi trường khắc nghiệt mà không làm giảm hiệu suất.
Khả năng tích hợp linh hoạt: Giao diện đầu ra đa dạng cho phép thiết bị dễ dàng kết nối và tích hợp vào các hệ thống điều khiển hiện có.
Mua các sản phẩm của SICK AG ở đâu?:
Thành Nguyễn hiện là đơn vị nhập khẩu và nhà phân phối chính hãng SICK AG.
Hàng hóa được bảo hành chính hãng 12 tháng, tư vấn kỹ thuật miễn phí, đầy đủ giấy chứng nhận xuất xứ, chất lượng từ Phòng thương mại và từ Hãng sản xuất
Nếu Quý khách có nhu cầu tư vấn và báo giá cho dự án mới, mua thay thế cho nhà máy, hãy liên hệ ngay chúng tôi qua số Hotline 0905352837 (ZALO) – Mr Quý để được hỗ trợ tư vấn sớm nhất.
Trân trọng cảm ơn Quý khách đã ghé thăm Website của chúng tôi !
Thông số kỹ thuật của SICK FLOWSIC100 Process:
Phạm Vi Đo Lưu Lượng:
Đo lưu lượng khí trong khoảng tốc độ từ 0.1 m/s đến 50 m/s, phù hợp cho các ứng dụng công nghiệp khác nhau.
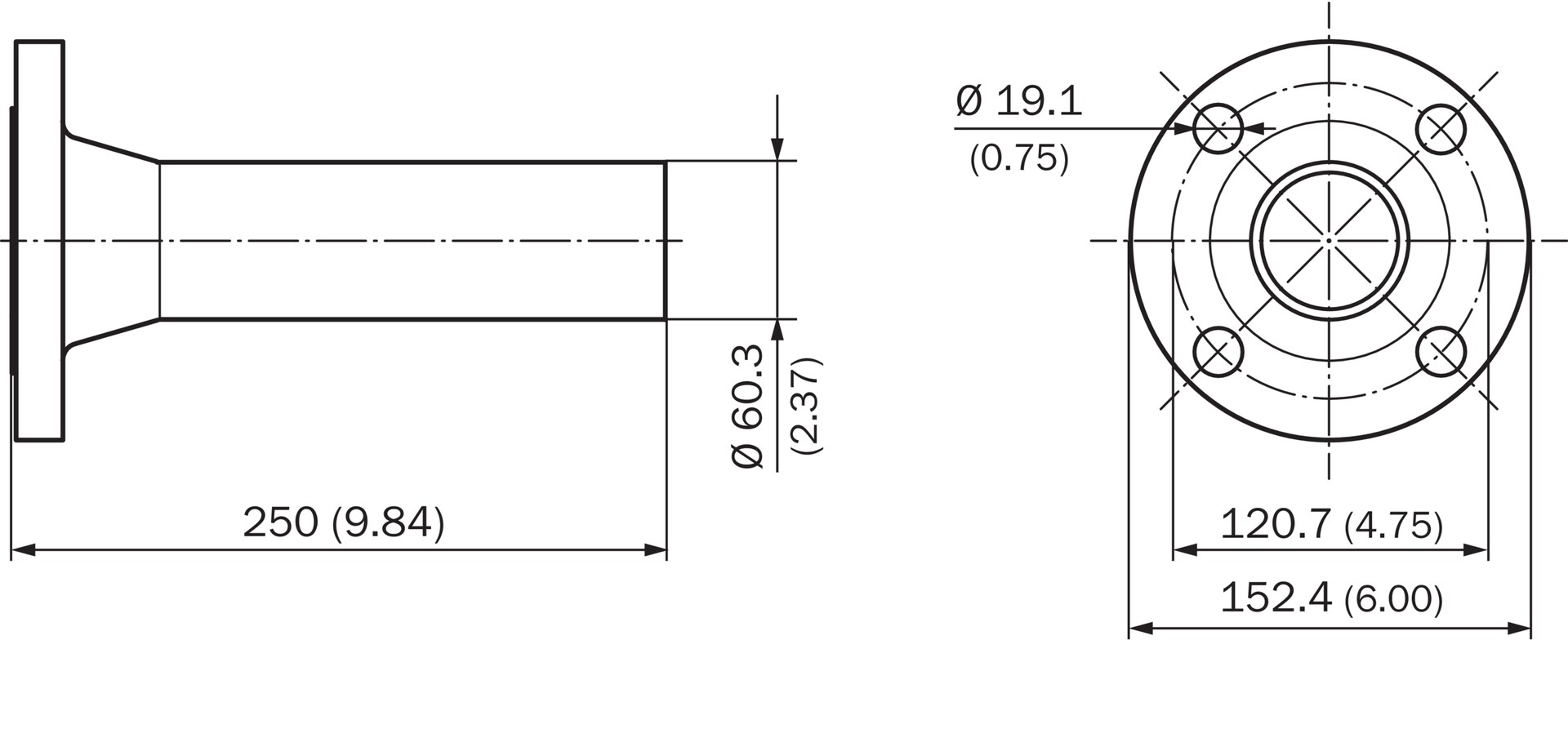
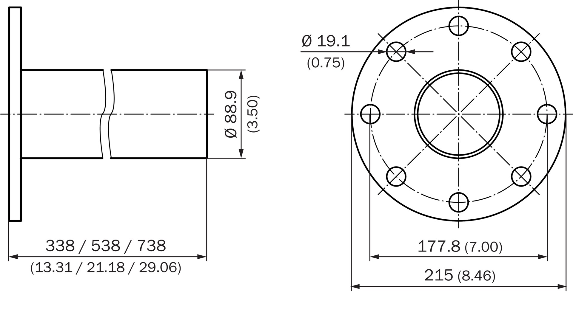
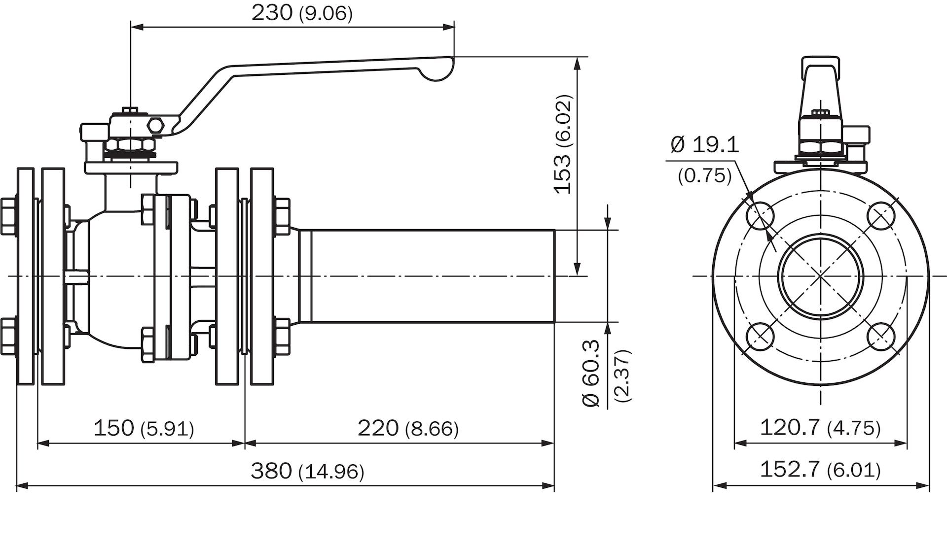
Kích Thước Đường Ống:
Hỗ trợ cho các đường ống có đường kính từ DN50 đến DN600 (tương đương với 2 inch đến 24 inch), cho phép linh hoạt trong nhiều hệ thống.
Độ Chính Xác và Độ Lặp Lại:
Độ chính xác: ± 1% giá trị đo, đảm bảo độ tin cậy trong quá trình vận hành.
Độ lặp lại: ± 0.5%, giúp duy trì tính ổn định của phép đo.
Dải Áp Suất và Nhiệt Độ Hoạt Động:
Áp suất tối đa: lên đến 200 bar, cho phép thiết bị hoạt động trong các điều kiện áp suất cao.
Nhiệt độ hoạt động: từ -40°C đến +80°C, giúp thiết bị hoạt động hiệu quả trong môi trường khắc nghiệt.
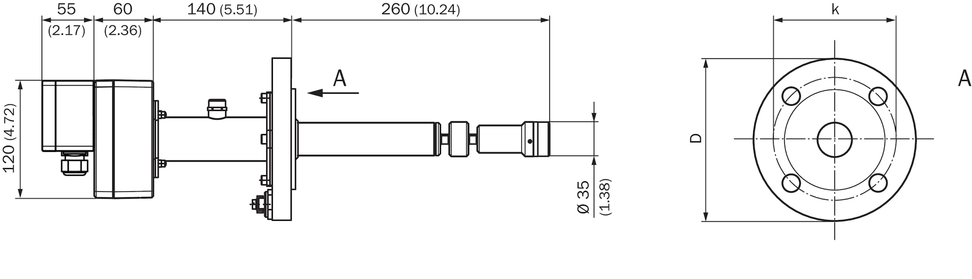
Công Nghệ Đo Siêu Âm:
Sử dụng công nghệ siêu âm với nguyên lý thời gian truyền (time-of-flight), cho phép đo lưu lượng mà không làm cản trở dòng khí.
Thiết kế không tiếp xúc với dòng chảy giúp bảo vệ thiết bị khỏi sự tác động của dòng khí.
Giao Diện Đầu Ra:
Cung cấp đầu ra analog 4-20 mA, dễ dàng kết nối với các hệ thống điều khiển và giám sát.
Hỗ trợ giao diện kỹ thuật số như RS485, MODBUS và HART, cho phép truyền dữ liệu linh hoạt và tích hợp với các hệ thống tự động hóa.
Cấp Bảo Vệ:
Cấp bảo vệ IP68, cho phép thiết bị hoạt động an toàn trong môi trường ẩm ướt và bụi bẩn.
Chứng nhận ATEX và IECEx, cho phép sử dụng trong các khu vực dễ cháy nổ.
Nguồn Điện:
Hoạt động với nguồn điện 24 V DC, đảm bảo tiêu thụ điện năng thấp và hiệu suất ổn định.
Tính Năng Tự Chẩn Đoán:
FLOWSIC100 Process được trang bị các chức năng tự chẩn đoán giúp theo dõi tình trạng hoạt động của thiết bị và phát hiện sớm các vấn đề.
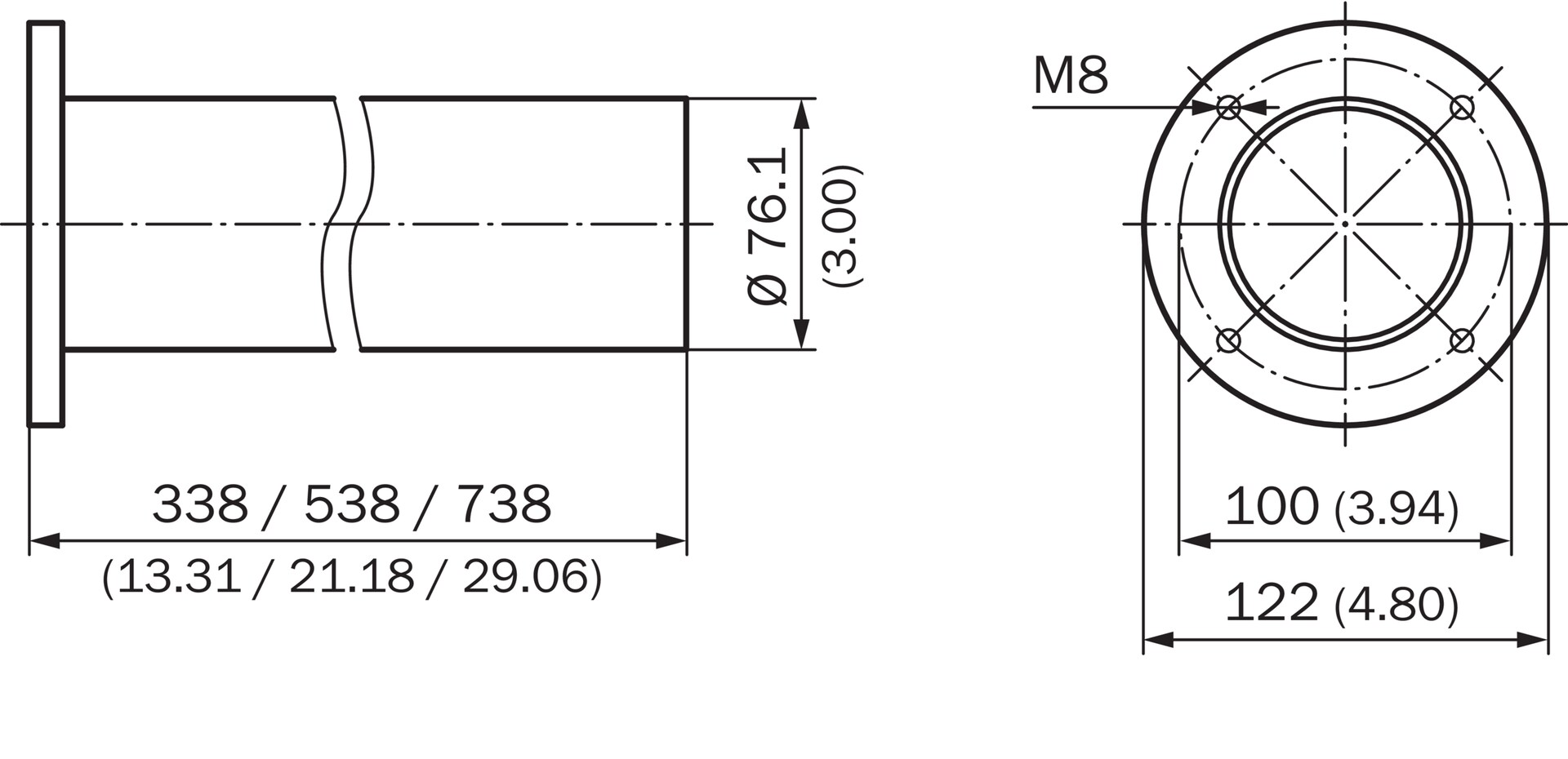
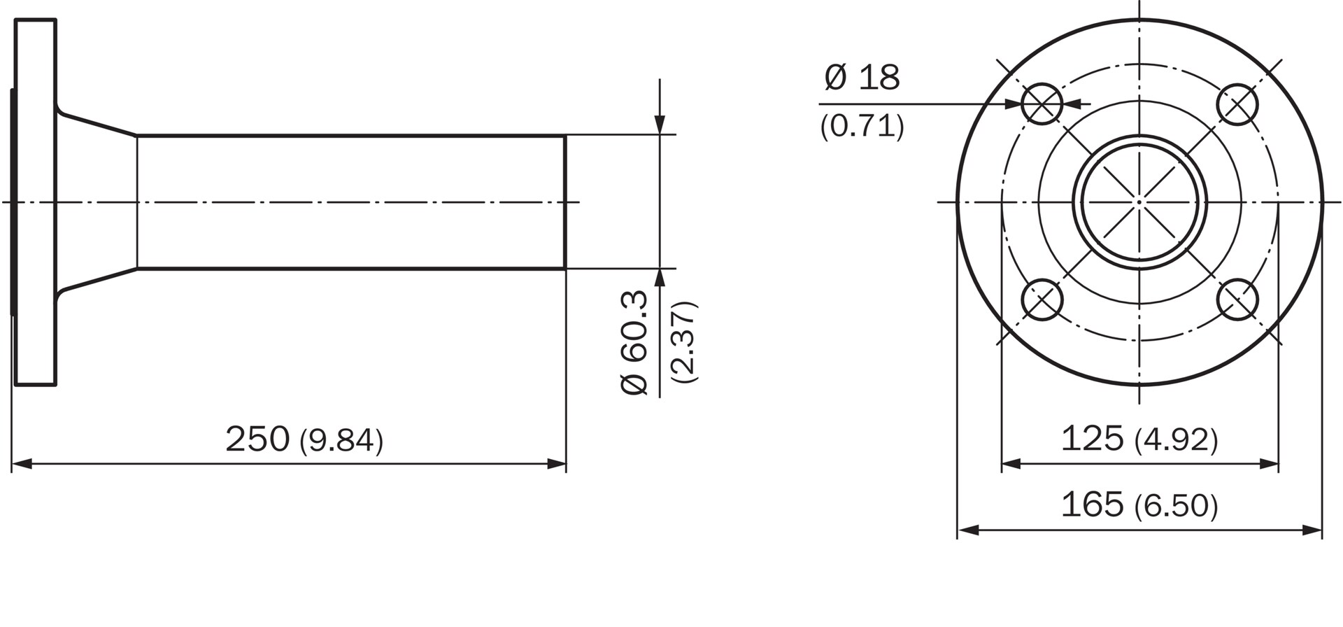
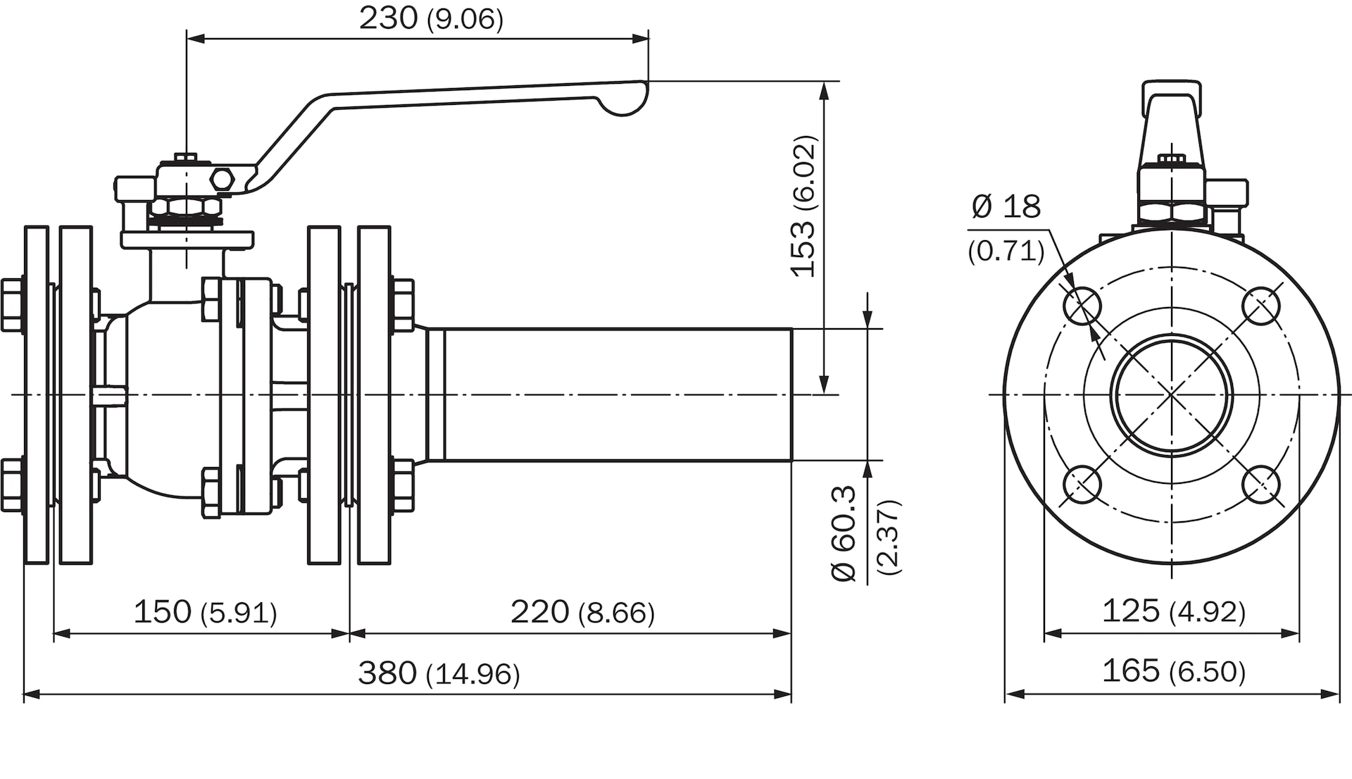
Một số hình ảnh và model của SICK FLOWSIC100 Process:
















Đánh giá
Chưa có đánh giá nào.