Giới thiệu về SICK PBSH-CB2X5SHGEEBMA0Z:
SICK PBSH-CB2X5SHGEEBMA0Z là cảm biến áp suất thuộc dòng PBSH của SICK, được thiết kế cho các ứng dụng đo áp suất đòi hỏi độ bền cao và khả năng làm việc trong điều kiện khắc nghiệt. Cảm biến này đặc biệt thích hợp cho các ngành công nghiệp nặng như chế tạo, xử lý chất lỏng, hệ thống thủy lực và khí nén, cũng như trong lĩnh vực dầu khí và hóa chất.
Ứng Dụng Chính của SICK PBSH-CB2X5SHGEEBMA0Z:
Ngành Công Nghiệp Nặng: Kiểm soát và giám sát áp suất trong các hệ thống thủy lực và khí nén, đảm bảo an toàn và hiệu quả cho máy móc.
Ngành Dầu Khí và Hóa Chất: Đo và giám sát áp suất trong quy trình sản xuất, vận chuyển, và lưu trữ các chất lỏng và khí dễ bay hơi.
Hệ Thống HVAC và Tự Động Hóa Công Nghiệp: Giám sát áp suất trong các hệ thống điều hòa không khí, thông gió và các quy trình tự động hóa.
Ưu Điểm của Thiết Bị:
Độ Chính Xác Cao: Cảm biến cung cấp các phép đo áp suất chính xác, phù hợp cho các quy trình yêu cầu độ ổn định cao.
Thiết Kế Bền Bỉ: Được chế tạo để chịu được các điều kiện công nghiệp khắc nghiệt, đảm bảo tuổi thọ lâu dài và giảm chi phí bảo trì.
Tích Hợp Linh Hoạt: Giao diện IO-Link và đầu ra analog hỗ trợ tích hợp dễ dàng vào hệ thống tự động hóa hiện có.
Mua các sản phẩm của SICK ở đâu?:
Thành Nguyễn hiện là đơn vị nhập khẩu và nhà phân phối chính hãng SICK.
Hàng hóa được bảo hành chính hãng 12 tháng, tư vấn kỹ thuật miễn phí, đầy đủ giấy chứng nhận xuất xứ, chất lượng từ Phòng thương mại và từ Hãng sản xuất
Nếu Quý khách có nhu cầu tư vấn và báo giá cho dự án mới, mua thay thế cho nhà máy, hãy liên hệ ngay chúng tôi qua số Hotline 0905352837 (ZALO) – Mr Quý để được hỗ trợ tư vấn sớm nhất.
Trân trọng cảm ơn Quý khách đã ghé thăm Website của chúng tôi !
Thông số kỹ thuật của SICK PBSH-CB2X5SHGEEBMA0Z:
| Trung bình | Chất lỏng, khí |
| Loại áp suất | Đo áp suất |
| Đơn vị áp suất | thanh |
| Phạm vi đo lường | 0 thanh … 10 thanh |
| Nhiệt độ quá trình | 0 °C … +80 °C |
| Tải ohmic tối đa R A | 4 mA … 20 mA, 2 dây (R A ≤ (L + – 8 V) / 0,02 A [Ohm])
0 V … 10 V, 3 dây (R A > 10 kOhm) 0 V … 5 V, 3 dây (R A > 5 kOhm) |
| Tín hiệu đầu ra | 4 mA … 20 mA, 2 dây |
| Chuyên ngành | Không có |
| Kết nối quy trình | G ½ A theo DIN 3852-E |
| Các bộ phận bị ướt | Kết nối áp suất: thép không gỉ 316L
Cảm biến áp suất: thép không gỉ 316L (cho phạm vi đo từ 0 bar … 10 bar thép không gỉ rel 13-8 PH) |
| Chất lỏng truyền động bên trong | Dầu silicon (chỉ có phạm vi áp suất < 0 bar … 10 bar và ≤ 0 bar abs … 25 bar abs) |
| Cổng áp suất | Tiêu chuẩn |
| Vật liệu nhà ở | Thép không gỉ |
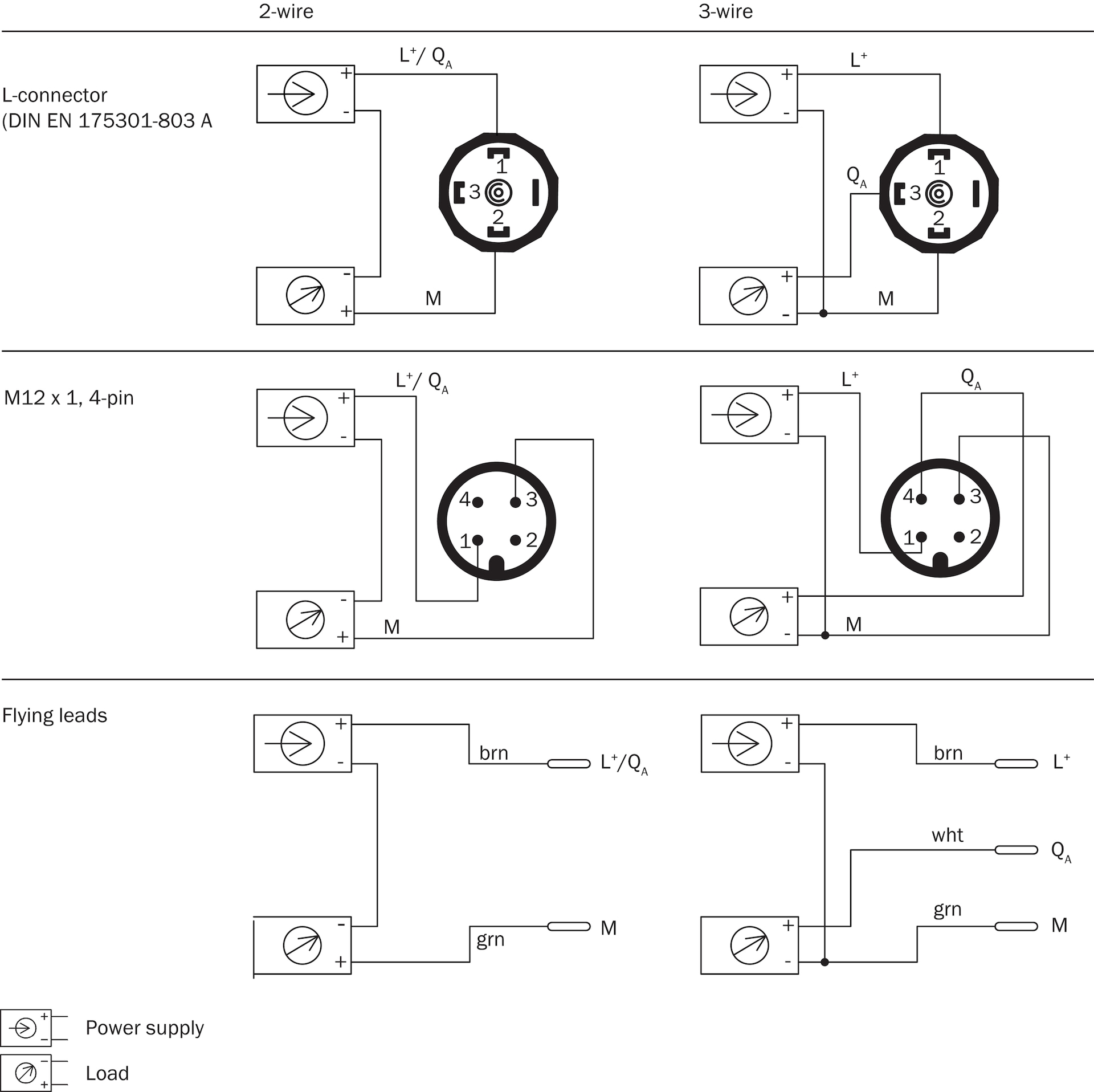
| Kiểu kết nối | Đầu nối tròn M12 x 1, 4 chân |
| Điện áp cung cấp | 8 V DC … 30 V DC 1) |
| Tiêu thụ điện năng | Dòng điện tín hiệu (tối đa 25 mA) cho đầu ra dòng điện
Tối đa 8 mA cho tín hiệu đầu ra điện áp |
| An toàn điện | Bảo vệ quá áp: 32 V DC, 36 V DC với 4 mA … 20 mA
Bảo vệ ngắn mạch: Q A hướng tới M Bảo vệ phân cực ngược: L + đến M Lớp bảo vệ: III |
| Điện áp cách ly | 500 V một chiều |
| Sự phù hợp CE | Chỉ thị về thiết bị áp suất: 2014/68/EU
Chỉ thị EMC: 2014/30/EU, EN 61 326-2-3 |
| Cảm biến trọng lượng | Khoảng 80 g |
| Niêm phong | NBR |
| Xếp hạng bao vây | IP67 2) |
| Lớp bảo vệ III | ✔ |
| Điều kiện tham chiếu | Điều kiện tham chiếu: Theo IEC 61298-1 |
| Thời gian thực hiện | 815 năm |
Một số hình ảnh và model của SICK PBSH-CB2X5SHGEEBMA0Z:




















Đánh giá
Chưa có đánh giá nào.